1、ZJD系列自潔式過濾器電氣控制由四部分組成;
1.差壓取樣部分由D520/7DD型切換壓差可調的差壓控制器實現。差壓設定范圍為0.02-0.16MPa;
2.自動反洗部分由NRV型減速機組成。本減速機采用優質鋁合金壓鑄箱體,重量輕、散熱性能優良、承載能力大;
3.排污部分由電動球閥組成,整機系統由一臺自動控制箱控制,以達到手動、自動清洗、排污的目的;
4.控制箱部分引入電源為三相四線制(380V 50HZ),驅動電機功率0.15-3kW,控制箱箱體采用防水全透屏、智能型結構,進出控制箱的接頭均為防水接頭。接線如電氣原理圖一(適用于刷式、吸吮掃描式、導流式)電氣原理圖二(適用于反沖洗)
.png)
2、幾點說明
1.電控裝置調試步驟詳見產品使用說明書;
2.差壓控制器設定值的調整按產品使用說明書設定調節;
3.清洗時間為1-24小時可調,使用中可根據實際工作情況設定清洗時間;
4.排污閥門限位開關出廠已調好,一般無須調整,如果使用中不到位置,可按說明書另行調整。
3、控制箱外形尺寸
.png)
產品安裝與使用指南
為了維修方便,ZJD系列自潔式過濾器安裝時應在進出口設閥門,并做旁通管路;為了防止過大的雜物進入過濾器,建議在過濾器的入口端安裝固定過濾網。
另外,安裝時應注意外殼上的箭頭方向與水流方向一致。
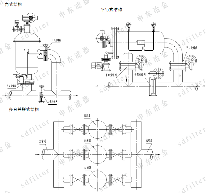
下圖為過濾器的幾種安裝形式,供用戶安裝時參考。
.png)
.png)
配備專用開啟機構的過濾器,無需外部起吊裝置,即可拆卸頂
.png)
訂貨須知
1、用戶訂貨時請正確提供產品名稱、規格型號、最高工作壓力、工作溫度、過濾精度、材質、連接法蘭標準;
2、電機是否需防爆、是否戶外工作;
3、特殊要求另行說明;
4、過濾精度的選擇
一般來講,過濾器的過濾精度選擇高一些,截污量就大一些,而實際上對過濾器來講并非過濾精度越高越好,通常只要滿足工藝要求即可,特別是當水中含油時精度越高越容易糊網。因此,選擇過濾精度時必須綜合考慮,以下參數供選擇Johnson濾網精度時參考:
(1) ZJDLⅢ型反沖洗式自潔式過濾器、ZJDP型導流式自潔式過濾器的Johnson濾網的V型斷面必須尖端朝外,選用過濾精度為0.2-0.30mm時允許濁液含油量≤10mg/L; 選用過濾精度為0.10-0.20mm時允許濁液含油量≤5mg/L;
(2) ZJD系列刷式、ZJD系列吸吮掃描式自潔式過濾器允許濁液中含油量比上列參數再提高50%。
5.前置粗過濾器
由于管道施工及管理上的不完善,在實際操作中常發現管道系統中進入那些未被清除的大雜物,如鋼板邊角料頭、焊條頭、木塊、磚、石塊以及破布等直接進入過濾器,導致過濾器不能正常工作。為此,用戶可在過濾器的入口設置粗過濾器,以濾去管路中的大雜質,保護過濾器的正常運行。(我廠生產的F B系列管道過濾器即可作為前置粗過濾器)
供貨范圍
1、過濾器主機
2、電動排污閥
3、手動排污閥
4、電控箱
5、配對法蘭及前置粗過濾器根據用戶要求提供 |